Beschreibung
B40 12L + MAXON 4,4:1 Keramik
– typischer Antrieb für F3J Segler und ähnliche Modelle.
– Setup: 3S Lipo, Aeronaut 16×10 bei ~40A
Technische Daten:
|
Leistungsbereich |
max. 700W (15 sec.) |
|
|
Leerlaufstrom bei 8,4V |
1,13A |
|
|
Innenwiderstand |
0,0258 Ohm |
|
|
Leerlaufdrehzahl pro Volt |
2380 U/min-1 |
|
|
Gewicht |
205g |
|
|
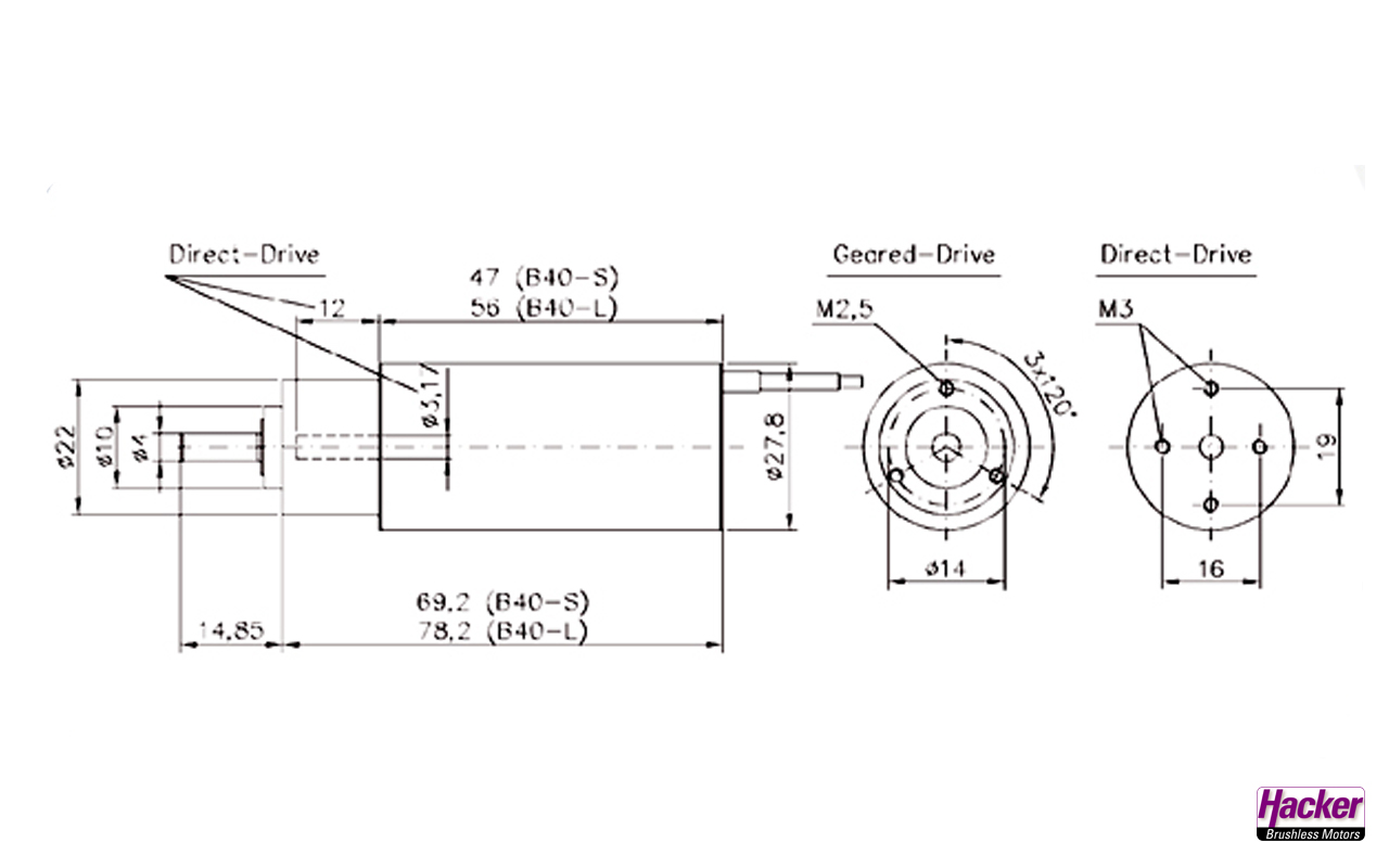
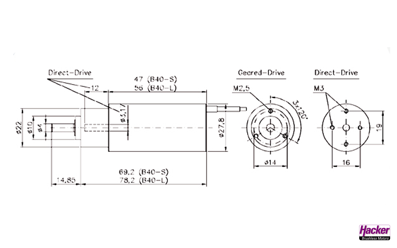
Aussendurchmesser |
27,6 mm |
|
|
Länge |
78,15 mm |
|
|
Polzahl |
2 Poliger Innenläufer |
|
|
Reglerempfehlung |
40A bis 70A Brushless |
|
|
empf. Timing |
0° – 5° |
|
|
Wellendurchmesser |
4 mm |
|
|
Getriebeuntersetzung |
4,4:1 |
– die maximale Einschraubtiefe der Befestigungsschrauben ist 4,5mm
DER Klassiker unter unseren Brushless-Motoren. Schlank, leicht, viel Power…
Dieses Motordesign eignet sich perfekt für Segelflugmodelle mit engen Rümpfen. Durch das angeflanschte Getriebe lassen sich große und sehr effektive Luftschrauben betreiben.
Beide Lagerschilde sind nun gegenüber der Vorgängerversionen verschraubt. Dadurch ist der Motor haltbarer und mechanisch stabiler.












Rezensionen
Es gibt noch keine Rezensionen.