Beschreibung
B40 10L + MAXON 4,4:1 Keramik
Einsatzbereich: schlanke F3J, F5J, F3F, F3B… Segelflugmnodelle bis ~2500gr an 3S LiPo
Setupvorschlag: Prop 15×8 an 3S LiPo bei ~40-45A
Technische Daten:
|
Leistungsbereich |
max. 700W (15 sec.) |
|
|
Leerlaufstrom bei 8,4V |
1,56A |
|
|
Innenwiderstand |
0,0181 Ohm |
|
|
Leerlaufdrehzahl pro Volt |
2920 U/min-1 |
|
|
Gewicht |
205g |
|
|
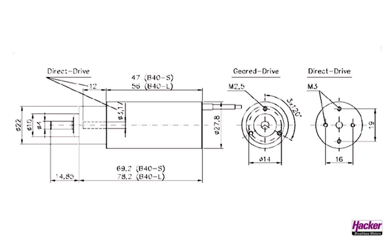
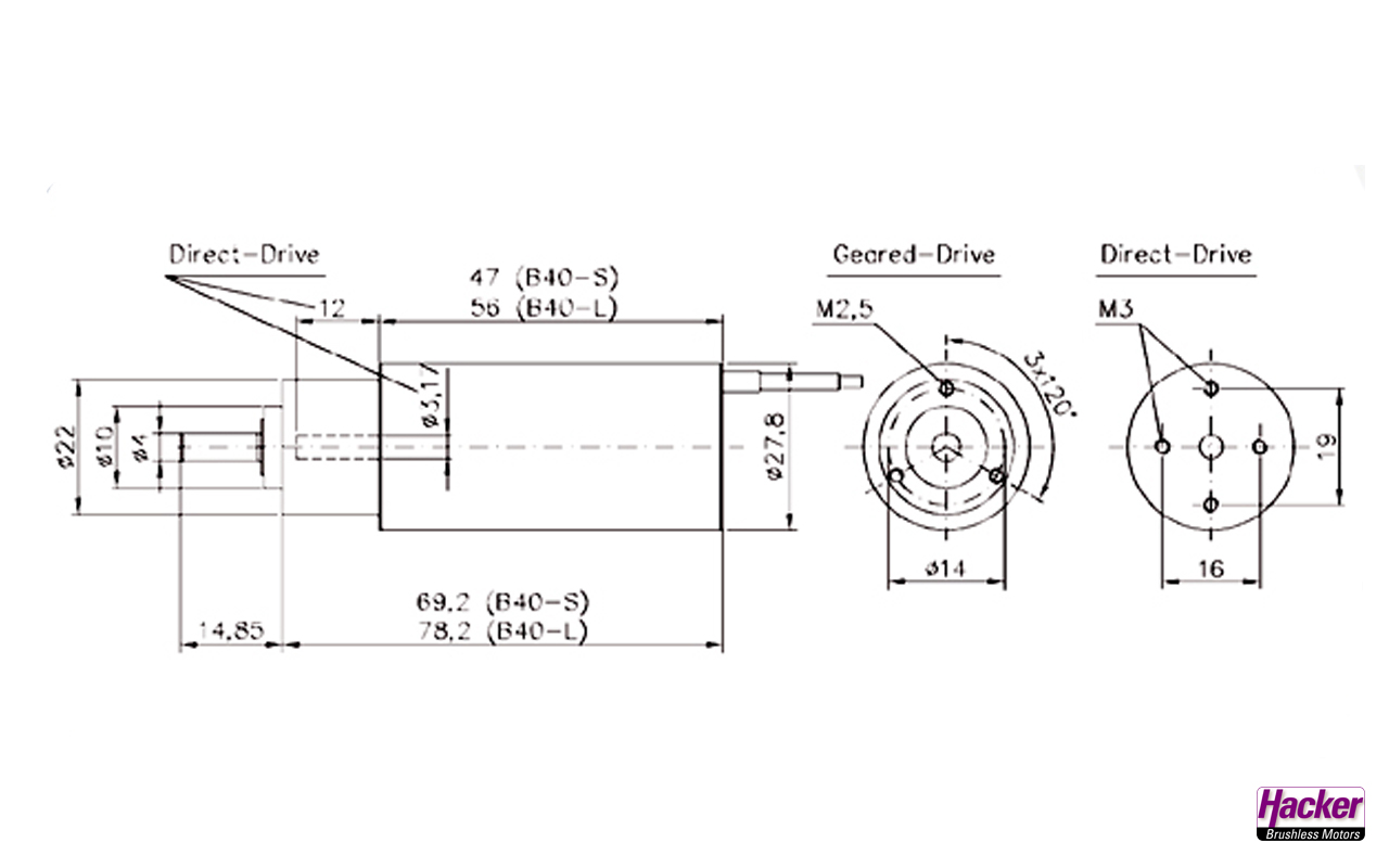
Aussendurchmesser |
27,6 mm |
|
|
Länge |
78,15 mm |
|
|
Polzahl |
2 Poliger Innenläufer |
|
|
Reglerempfehlung |
40A bis 70A Brushless |
|
|
empf. Timing |
0° – 5° |
|
|
Wellendurchmesser |
4 mm |
|
|
Getriebeuntersetzung |
4,4:1 |
– die maximale Einschraubtiefe der Befestigungsschrauben ist 4,5mm
DER Klassiker unter unseren Brushless-Motoren. Schlank, leicht, viel Power…
Dieses Motordesign eignet sich perfekt für Segelflugmodelle mit engen Rümpfen. Durch das angeflanschte Getriebe lassen sich große und sehr effektive Luftschrauben betreiben.
Beide Lagerschilde sind nun gegenüber der Vorgängerversionen verschraubt. Dasdurch ist der Motor haltbarer und mechanisch stabiler.











Bewertungen
Es gibt noch keine Bewertungen.