Beschreibung
B40 9L + MAXON 4,4:1 Keramik
Einsatzbereich: leichte Segelflugmodelle bis ~2500gr an 3S LiPo
Setupvorschlag: Prop 14×8 an 3S LiPo bei ~54A
Technische Daten:
|
Leistungsbereich |
max. 700W (15 sec.) |
|
|
Leerlaufstrom bei 8,4V |
1,88A |
|
|
Innenwiderstand |
0,0143 Ohm |
|
|
Leerlaufdrehzahl pro Volt |
3333 U/min-1 |
|
|
Gewicht |
205g |
|
|
Aussendurchmesser |
27,6 mm |
|
|
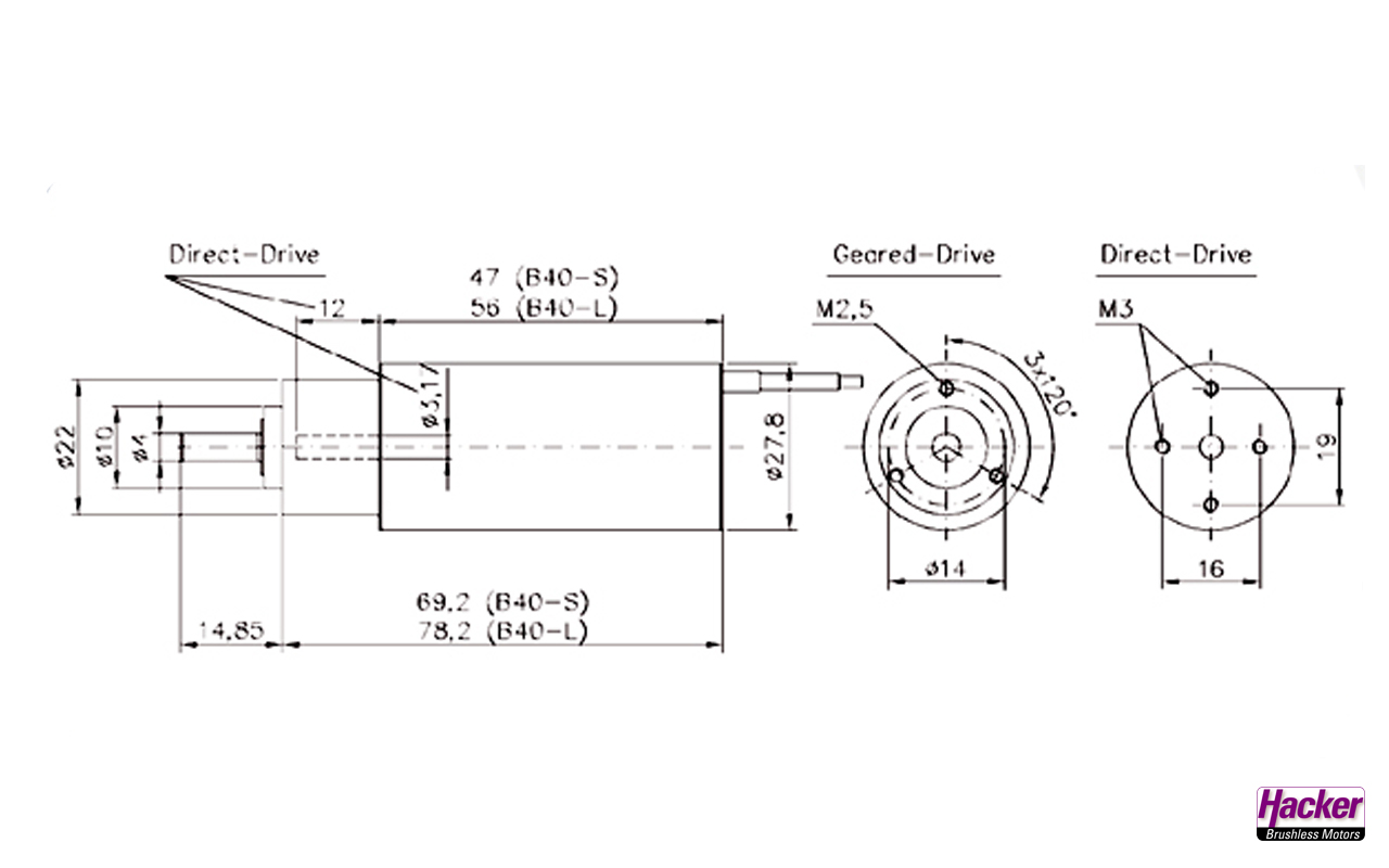
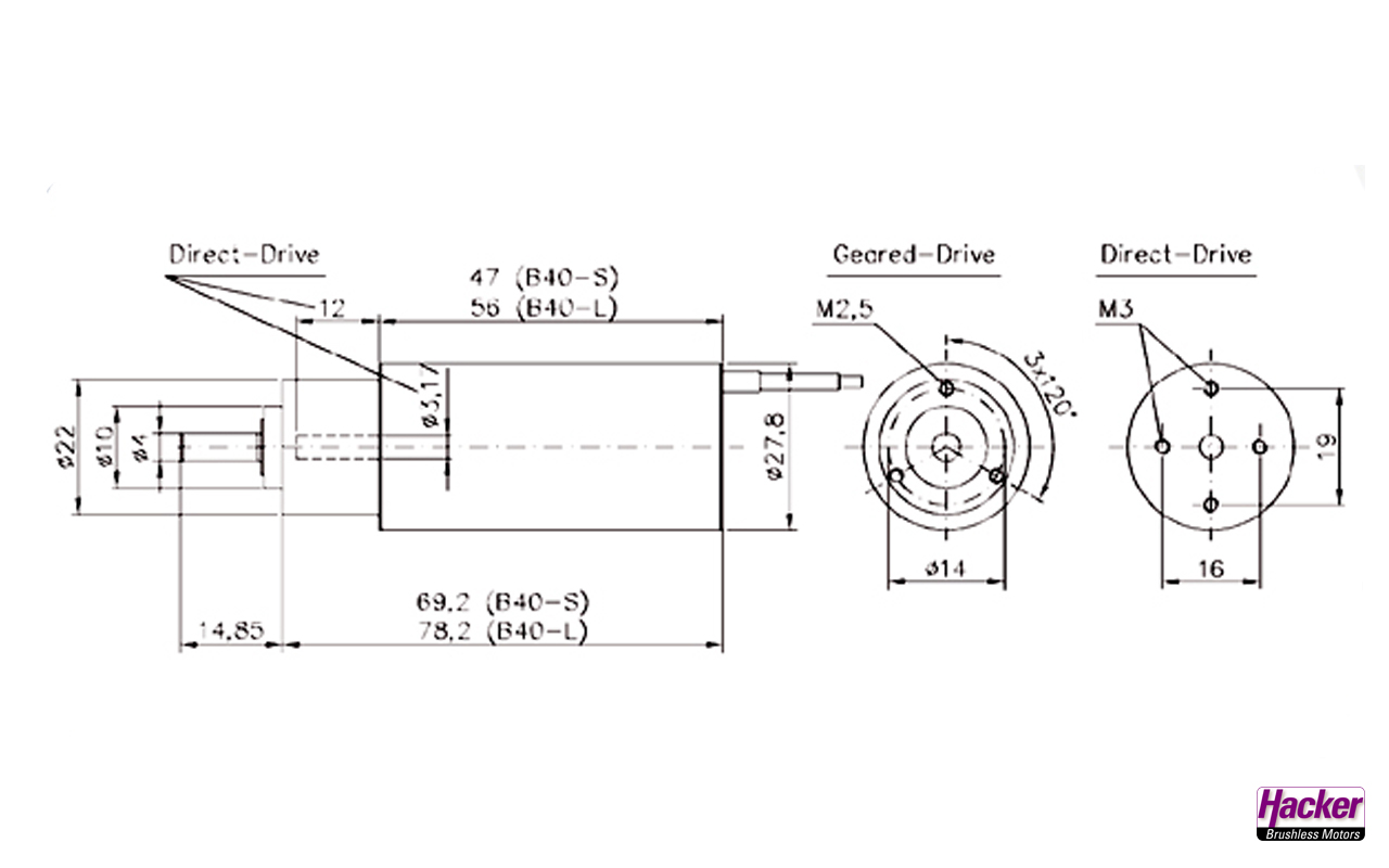
Länge |
78,15 mm |
|
|
Polzahl |
2 Poliger Innenläufer |
|
|
Reglerempfehlung |
40A bis 70A Brushless |
|
|
empf. Timing |
0° – 5° |
|
|
Wellendurchmesser |
4 mm |
|
|
Getriebeuntersetzung |
4,4:1 |
– die maximale Einschraubtiefe der Befestigungsschrauben ist 4,5mm
DER Klassiker unter unseren Brushless-Motoren. Schlank, leicht, viel Power…
Dieses Motordesign eignet sich perfekt für Segelflugmodelle mit engen Rümpfen. Durch das angeflanschte Getriebe lassen sich große und sehr effektive Luftschrauben betreiben.
Beide Lagerschilde sind nun gegenüber der Vorgängerversionen verschraubt. Dasdurch ist der Motor haltbarer und mechanisch stabiler.












Rezensionen
Es gibt noch keine Rezensionen.