Beschreibung
Technische Daten:
Leistungsbereich max. 220W (15 sec.)
Leerlaufstrom bei 8,4V 1,11A
Innenwiderstand 0,037 Ohm
Leerlaufdrehzahl pro Volt 4630 U/min-1
Gewicht 69g
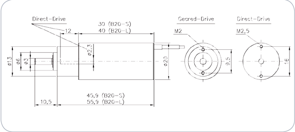
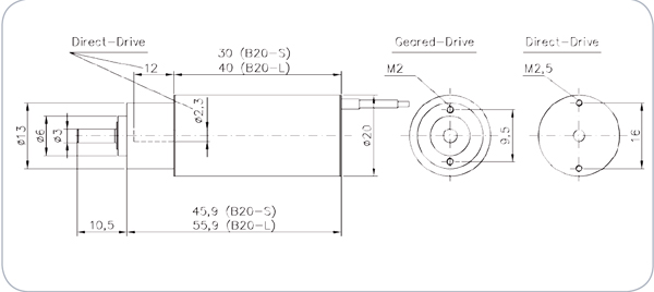
Aussendurchmesser 20 mm
Länge 55,9 mm
Polzahl 2-Poliger Innenläufer
Reglerempfehlung 30A Brushless
empf. Timing 0° – 5°
Getriebeuntersetzung 4:1
Wellendurchmesser 3 mm












Rezensionen
Es gibt noch keine Rezensionen.