Beschreibung
Technische Daten:
Leistungsbereich max. 220W (15 sec.)
Leerlaufstrom bei 8,4V 0,66A
Innenwiderstand 0,085 Ohm
Leerlaufdrehzahl pro Volt 3086 U/min-1
Gewicht 69g
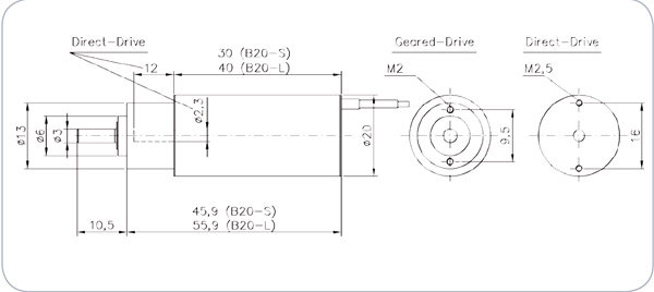
Aussendurchmesser 20 mm
Länge 55,9 mm
Polzahl 2-Poliger Innenläufer
Reglerempfehlung 20A Brushless
empf. Timing 0° – 5°
Getriebeuntersetzung 4:1
Wellendurchmesser 3 mm












Rezensionen
Es gibt noch keine Rezensionen.